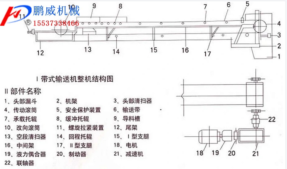
皮带式输送机基本组成
蘑菇视频免费入口机械
2024-04-18 11:26:35
0

皮带式输送机基本组成:

带式输送机的整机应包括以下零部件(但不限于):

1、胶带;

2、托辊组;

3、滚筒组;

4、驱动装置(含电动机、减速器、机械联轴节、驱动装置底座等);

5、盘式制动器;

6、逆止器;

7、拉紧装置;

8、导料槽;

9、皮带清扫器;

10、中间架、支腿、滚筒支架、接料板、安全防护罩、护栏等钢结构件;

11、现场补漆用的涂料和溶剂,试运转用的油料、润滑剂;

12、安装、调试及试运转期间所需的全部易耗品、易损件;

13、设备安装、维修、检验及操作用专用工具、仪器、调试用仪器仪表。

皮带式输送机基本组成

皮带式输送机基本组成

上一篇: 给煤机开机注意问题

下一篇: 螺旋输送机介绍

相关内容

热门资讯

网站地图