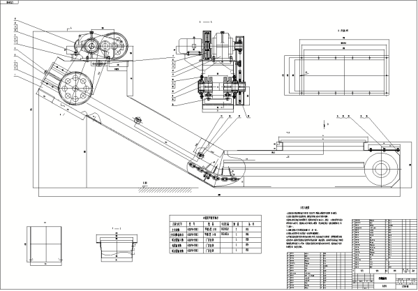
刮板输送机
蘑菇视频免费入口机械
2024-03-07 09:23:43
0
刮板输送机介绍:
刮板输送机是输送粉尘状、小颗粒及块状等散状物料的连续输送设备,可以水平、倾斜和垂直输送。
散料具有内摩擦力和侧压力等特性。
水平输送时,物料受到刮板链条在运动方向的推力,当料层间的内摩擦力大于物料与槽壁间的外摩擦力时,物料就随着刮板链条向前运动。
在料层高度与机槽宽度之比值满足一定的条件时,料流是稳定的。垂直输送时,主要依赖物料所具有的起拱特性。
刮板输送机可输送物料:碎煤、碎粉、碎炉潭、飞灰、烟灰、炭黑、磷矿粉、碳酸氢铵、尿素、氯化铵、苏打粉、硫铁矿潭、塑料单体、活性炭、固体农药、焦炭粉、石灰石粉、铬矿粉、白云石粉、铜精矿粉、氧化铝粉、氧化铁粉、石英砂,烧结返矿、水泥、粘土粉、陶土、黄砂、铸造旧砂、小麦、大豆玉米、菜籽、米、糖、淀粉、谷物类、谷物麦、木片、竹片、锯床等,MZ型埋刮板输送机推荐用于锅炉房上煤及输送谷物类(如小麦、玉米、大豆等)和轻物料类(如木片、锯床等)。
刮板输送机
刮板输送机图纸:
刮板输送机
刮板输送机类型:
刮板输送机
刮板输送机选型方式:
刮板输送机

相关内容

热门资讯

网站地图